- Visión General
- Descripción del producto
- Detalles de los productos
- Fotos detalladas
- Perfil de la empresa
- Nuestras ventajas
- Certificaciones
- PREGUNTAS FRECUENTES
Información Básica.
Descripción de Producto
Válvula de bola con brida SAE BKSF / BKSF6 / SKSF /SKSF6
3000psi (ISO6162-1) SAE con brida rebordeada
6000PSI (ISO6162-2) SAE con brida rebordeada
Rango de presión hasta 420bar/6000PSI
Rango de temperatura de funcionamiento: -20°C a +100°C.
| Estándares de producto: | ISO 6162 |
| Materiales del producto: | Acero al carbono/acero inoxidable |
| Acabado de la superficie: | Aleación de zinc/zinc-níquel blanca |
| Hilo: | Conexión de brida SAE |
| Características del producto: | El diseño de bola flotante de alta presión de trabajo garantiza un sellado sin fugas y compensa automáticamente el desgaste del asiento o la instalación de diferentes centros, la bola pulida de espejo cromado duro, reduce considerablemente la fricción y el desgaste del asiento, y hay disponible una amplia gama de materiales de asiento para adaptarse a una variedad de aplicaciones especiales. |
| Aplicación: | Varios sistemas hidráulicos, especialmente para astilleros y maquinaria de construcción. |

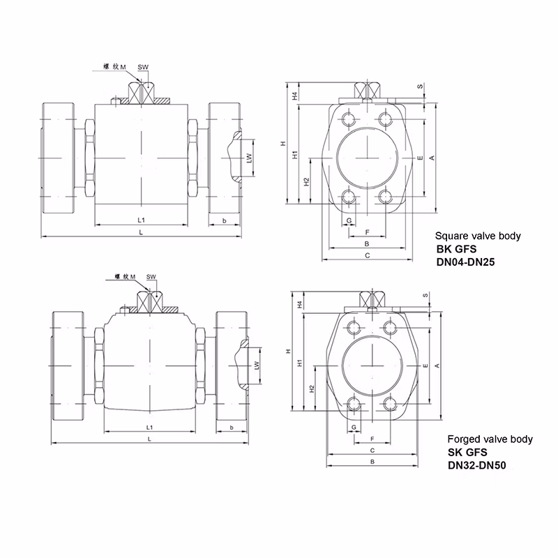
| DN mm | LW mm | L1 mm | B mm | H mm | H1 mm | H2 mm | H4 mm | SW mm | M mm | S mm |
| 13 | 13 | 48 | 35 | 51,2 | 40 | 17,25 | 10,9 | 9 | M5 | 3 |
| 20 | 20 | 62,2 | 49 | 73,4 | 57 | 24,5 | 16 | 14 | M6 | 4 |
| 25 | 24 | 66,2 | 60 | 76,6 | 60 | 26,5 | 16 | 14 | M6 | 4 |
| 32 | 32 | 80 | 80 | 104,4 | 85,4 | 39,5 | 18,5 | 17 | M8 | 5 |
| 40 | 38 | 85 | 84 | 111,4 | 92,4 | 42 | 18,5 | 17 | M8 | 5 |
| 50 | 47,5 | 100 | 111 | 129 | 110 | 52 | 18,5 | 17 | M8 | 5 |
La empresa cuenta con diseñadores de sistemas hidráulicos con experiencia, que pueden proporcionar a los clientes asistencia técnica relevante y todas las soluciones de accesorios hidráulicos para mejorar la eficiencia de la adquisición de clientes.
Departamento de producción
Zona de inspección Almacén
1. Materia prima, 100% de pruebas antes de la entrega, 99% sin fugas, y par de torsión maravilloso.
2. Han cooperado con muchos importadores en todo el mundo.
3. Experiencia en hacer negocios con grandes clientes según la alta demanda estándar
4. Tiempo de entrega rápido y estable
5. Equipo profesional de I+D.
6. Se pueden enviar muestras gratuitas a petición.

1. ¿Puedo obtener una muestra?
Proporcionamos algunas muestras específicas pequeñas según el proceso en el que nos situamos.
2. ¿proporciona productos personalizados?
Estamos bien en ofrecer servicios personalizados en términos de etiquetado de logotipos, fabricación basada en muestras o planos, etc.
3. ¿será la comunicación un problema?
Nuestro equipo de ventas tenía un gran conocimiento de nuestros productos y adquirió sólidas habilidades de comunicación en inglés tanto en la escritura como en la expresión oral; la comunicación se puede acceder literalmente o verbalmente a través de cualquier plataforma de redes sociales.
4. Método de pago.
L/C, T/T, PayPal, Western Union, etc. principalmente no aceptamos transacciones de terceros a través del canal de la región continental de China.
5. ¿por qué elegirnos?
- Calidad: 100% de fugas, material y pruebas de funcionalidad en proceso y antes de su envío.
- Variedad: Flexibilidad altamente personalizable.
- Fiabilidad: 5 años de experiencia en fabricación.
- Eficiencia: Respuesta rápida y efectiva.
- Utilidad: Somos fabricantes.
- Flexibilidad: Se proporcionan OEM/ODM.
- Autenticación: Se proporciona una auditoría de planta en tiempo real.
- Competitividad: El precio es negociable en grandes volúmenes.